Contact Us
- Building B, No. 17, Zijing Road, Pingxi, Pingdi Street, Longgang District, Shenzhen
- bestnew2008@163.com
- +0755-29698036
NOVObestnew-LWH series
Product number: 027
Features:
• Lifespan up to 100 million times under application conditions
• Excellent linearity, up to ± 0.04%
• Resolution better than 0.01mm
• High operating speed
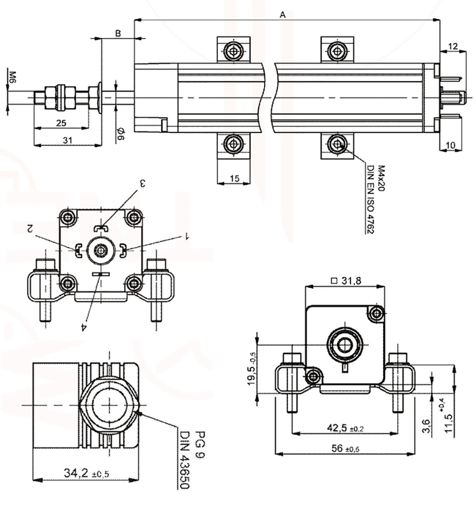
• DIN 43 650 standard plug and socket
• Protection level IP 55
This series of sensors is used in measurement and control systems for direct and absolute measurement of displacement and length.
The maximum working range of 900mm and high resolution (0.01mm) provide accurate linear displacement measurement. The structural design of the sensor is convenient for installation and removal.
The internal and external structural surfaces of the sensor have been specially treated to work at high speed and low wear. The flexible buffer bearing at the front end of the sensor can overcome some of the tiny lateral stress of the transmission rod and ensure the normal operation of the sensor. The sensor's conductive material fixation and structural design and other processes ensure that the sensor can work reliably even under the worst conditions.
The sensor has mounting slots on all four sides, so it is convenient to install the conductive material facing down as much as possible during installation to avoid the presence of tiny debris particles inside the sensor, which will affect the life of the sensor.
Detailed Introduction
This series of sensors is used in measurement and control systems to measure displacement and length directly and absolutely.
The maximum working range of 900mm and high resolution (0.01mm) can provide accurate linear displacement measurement. The structural design of the sensor takes into account easy installation and disassembly.
The internal and external structural surfaces of the sensor have been specially treated to work at high speed and low wear. The flexible buffer bearing at the front end of the sensor can overcome some tiny lateral stresses of the transmission rod to ensure the normal operation of the sensor. The sensor's conductive material fixing and structural design ensure that the sensor can work reliably even under the worst conditions.
There are mounting grooves on all four sides of the sensor, so that it is convenient to install the conductive material side down as much as possible during installation to avoid the presence of tiny debris particles inside the sensor that affect the life of the sensor.
You might also like








