Contact Us
- Building B, No. 17, Zijing Road, Pingxi, Pingdi Street, Longgang District, Shenzhen
- bestnew2008@163.com
- +0755-29698036
19-type H-type magnetostrictive displacement sensor
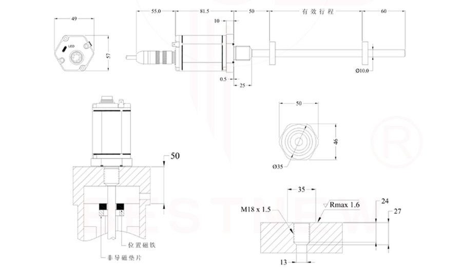
19 series H-type magnetostrictive displacement sensor is suitable for internal cylinder installation
19 series H-type magnetostrictive displacement sensor pressure-resistant outer tube and hexagonal flange are 100% stainless steel, which can be directly installed into the hydraulic cylinder. The electronic part and the pressure-resistant outer tube are modular assembly design, that is, the two can be completely separated. It is very simple to replace the electronic part on site, and there is no need to remove the hydraulic pressure first. This design reduces the time to reset the hydraulic cylinder and greatly improves production efficiency.
Detailed Introduction
19 series H-type magnetostrictive displacement sensor (suitable for built-in cylinder installation)
19 series magnetostrictive displacement sensor is a newly developed digital intelligent magnetostrictive displacement sensor. It adopts non-contact magnetostrictive measurement technology. This technology can provide high-speed, high-precision, direct and absolute displacement output. The non-contact design is not only convenient for installation, but also can eliminate all errors caused by working wear.
19 series magnetostrictive displacement sensor is specially designed for harsh environment applications, such as oil refining, chemical industry, power generation, pharmaceutical industry, etc. In addition to the basic analog voltage and current signal output, it also provides a more abundant communication interface including digital SSI and Start/Stop, field bus CANbus and Profibus-DP, etc. A professional sensor series provides users with simple and direct position feedback signals, saving costs and improving production efficiency. Output modes include:
Analog voltage and current
•Start/Stop signal
•SSI synchronous serial digital
•CANbus
•Profibus

You might also like









